I've been doing measurements on my heating system for about the last month. We are a couple days into spring, but still have snow expected this week, though this might be the last winter storm. So its a good time to look at the almost 35 days of data, which will tell about what to expect for the power supply and battery backup of the web enabled thermostat being designed.
Lots of squiggly lines, but shows the end of February was cold and the last few days were cold as well. The top line shows the inside air temp. The bottom line shows when heat was being requested from the thermostat. Not easily seen are requests for heat from the north end of the house (19% of the time), or the master bedroom which never requested heat during this period.
Overall the heat demand was on about 25% of the time for the period in the main part of the house. For one 2 day period the heat was on about 45% of the time. So that gives me some targets for the size of the battery and how fast it should be charged. Well that sounds good, in reality, I have a couple 1000 mAH LiPoly batteries, which is overkill, but should work well for years to come. Though if this were a product, a 190 mAH battery would most likely be all that is required with a 100 mA charge current when heat is not being demanded.
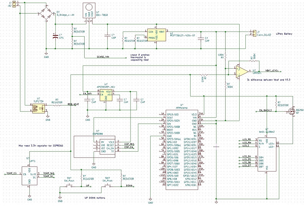
A preliminary design is moving along (using KiCAD) and needs some pin assignments and bypass caps. Deeper discussions of this in the forum.
And this is the state of it now 
The target for this design is to draw less than 10 mA (hopefully a lot less). A 100 mA battery charging circuit when not demanding heat. Record temperatures and heat demand and report that data back to a server either local or on the web. Also allow remote control of that thermostat.
